Prodotti
Pannelli solari kollha suwed

Pannelli solari kollha suwed

Il-pannell solari SFM 170- watt mono-kristallin PV juża ċelloli solari ta 'effiċjenza għolja magħmula minn materjal tas-silikon ta' kwalità għal effiċjenza ta 'konverżjoni ta' modulu għoli, stabbiltà fit-tul tal-ħruġ u affidabilità. Kważi manutenzjoni ħielsa. Trasmittanza għolja, ħġieġ ittemprat tal-ħadid baxx għad-durabilità u reżistenza għall-impatt imsaħħa.

Deskrizzjoni tal-Prodott

 

Il-pannell solari SFM 170- watt mono-kristallin PV juża ċelloli solari ta 'effiċjenza għolja magħmula minn materjal tas-silikon ta' kwalità għal effiċjenza ta 'konverżjoni ta' modulu għoli, stabbiltà fit-tul tal-ħruġ u affidabilità. Kważi manutenzjoni ħielsa. Trasmittanza għolja, ħġieġ ittemprat tal-ħadid baxx għad-durabilità u reżistenza għall-impatt imsaħħa.

Magħmul b'materjali importati u domestiċi

Qafas iswed b'folja ta 'wara sewda

Tolleranza tal-Qawwa Pożittiva (0 sa +3%)

Disinn ta 'qafas uniku b'qawwa mekkanika qawwija għal sa 50 lbs. tagħbija tar-riħ u tagħbija tas-silġ tiflaħ u installazzjoni faċli

Prestazzjoni elettrika pendenti taħt temperatura għolja u ambjenti tad-dawl dgħajfa

Id-dijodi tal-bypass itaffu l-effetti tad-dell fil-kordi tas-serje

 

Parametru

 

Karatteristiċi elettriċi (STC *)
Mudell Nru (SFM)

150W

155W

160W

165W

170W

175W

180W

Qawwa massima fi STC (PMAX)

150W

155W

160W

165W

170W

175W

180W

Vultaġġ massimu tal-qawwa (VMP)

18.02

18.10

18.20

18.41

18.56

18.78

19.01

Kurrent massimu tal-qawwa (Imp)

8.33

8.56

8.80

8.96

9.15

9.35

9.47

Vultaġġ taċ-ċirkwit miftuħ (VOC)

21.62

21.72

21.84

22.09

22.27

22.54

22.62

Kurrent taċ-ċirkwit qasir (ISC)

9.07

9.33

9.58

9.77

9.94

10.16

10.32

Vultaġġ massimu tas-sistema (V)

1000V DC (IEC)

Klassifikazzjoni massima tal-Fjus tas-Serje (A)

15A

Tolleranza tal-Enerġija (%)

0-+3%

Noct

45 ± 2 grad

Koeffiċjent tat-temperatura PMAX

-0. 46% \/ grad

Koeffiċjent tat-temperatura VOC

-0. 346% \/ grad

Koeffiċjent tat-temperatura tal-ISC

0. 065% \/ grad

Temperatura operattiva

Minn -40 sa +85 grad
* STC (kundizzjoni tat-test standard): irradjanza 1000W \/ ㎡, temperatura tal-modulu 25 grad, AM1.5
L-Aħjar Fil-Klassi AAA Simulatur Solari (IEC 60904-9) jintuża, b'inċertezza tal-kejl tal-qawwa fi ħdan ± 3%

 

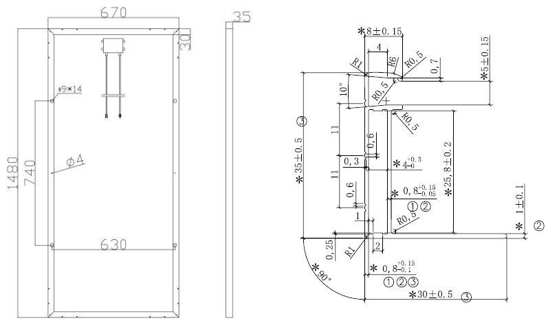
Tpinġijiet tal-Inġinerija (MM)

 

1

 

Karatteristiċi mekkaniċi

Ċelloli solari

36 (4 × 9) ċelloli solari tas-silikon mono-kristallini 156 × 156mm

Ħġieġ ta ’quddiem

3.2mm (0. 13in) ħġieġ ittemprat ta 'trasmissjoni għolja

Inkapsula

EVA (aċetat tal-etilene-vinil)

Qafas

Liga tal-aluminju anodizzata b'saff doppju

Kaxxa tal-junction

IP67 ratat, b'dijodi tal-bypass li jistgħu jservu

Kejbils

Kejbil solari reżistenti għall-UV (mhux obbligatorju)

Konnetturi

Konnetturi Kompatibbli MC4 (Mhux obbligatorju)

Dimensjonijiet (L × W × H)

1480 × 670 × 35mm

Piż

12kg

Max.Load

Tagħbija tar-riħ: 2400Pa \/ Tagħbija tas-Snow: 5400Pa

 

Konfigurazzjoni tal-ippakkjar

Kwantità tal-ippakkjar

2pcs \/ kartuna

Kwantità \/ pallet

50pcs \/ pallet

Kapaċità tat-tagħbija

569pcs \/ 20ft, 1180pcs \/ 40ft

 

Karatteristika

 

Il-ħġieġ kontra r-riflessjoni jgħin biex iżid l-assorbiment tal-enerġija, filwaqt li l-konnessjonijiet tal-fidda ta 'fuq u t'isfel ġew sostitwiti minn tabs suwed, minflok saff żejjed ta' tejp jew tedlar iswed, li jimminimizza t-telf ta 'effiċjenza kontra l-folja ta' wara bajda ekwivalenti u jnaqqas ir-riskju ta 'mikro-xquq taċ-ċellula minħabba ħxuna aktar baxxa tal-laminat.

Anke f'temperaturi għoljin, iċ-ċellula solari tista 'żżomm effiċjenza ogħla minn ċellola solari tas-silikon kristallina konvenzjonali. Dan huwa partikolarment rilevanti għall-moduli "kollha suwed", fejn l-assorbiment tas-sħana huwa akbar. Is-Sufu jagħti prestazzjoni aħjar fil-klassi meta l-biċċa l-kbira tal-elettriku jiġi ġġenerat, fis-sajf. Dan huwa partikolarment rilevanti fi klimi sħan. Jista 'jintuża għal ħafna applikazzjonijiet differenti, anke barrakki tax-xogħol, garaxxijiet, jew kampijiet ideali għal sistemi tas-saqaf residenzjali u kummerċjali

Muntanja fl-art kompatibbli

Kompatibbli ma 'inverters fuq il-grilja u barra mill-grilja

Pannelli solari suwed għal applikazzjonijiet residenzjali u kummerċjali fejn pannell solari li jogħġob viżwalment u l-effiċjenza massima huma tal-akbar importanza.

 

Dwarna

 

Qinhuangdao Sufu Electronic Co., Ltd huwa modulu solari modern, soluzzjonijiet tas-sistema solari u fornitur tas-servizz. Il-prodotti solari tagħna jvarjaw minn moduli solari għal sistemi ta 'enerġija solari, dwal tat-toroq solari, ċarġers multifunzjonali solari, pompa solari u stazzjonijiet ta' enerġija foto-voltajka, bini ta 'foto-voltajku mehmuż (BAPV), bini integrat foto-voltaic (BIPV) disinn u kostruzzjoni.

Li jkopru workshops ta '30, 000 ㎡, l-ewwel fażi ta 'investiment hija ta' 20 miljun RMB, bil-kapaċità ta 'produzzjoni annwali tagħna ta' 20MW kemm għall-pannelli solari mono kif ukoll għall-poly.

SUFU ilu joffri lid-dinja prodotti affidabbli u rinnovabbli li huma ċċertifikati internazzjonalment bit-TUV, CE, IEC u ISO9001, eċċ.

Il-prodott japplika għal firxa wiesgħa ta 'klijenti inklużi l-Awstralja, l-Indja, il-Ġappun, il-Korea, l-Amerika t'Isfel, il-Lvant Nofsani, l-Asja tax-Xlokk, l-Afrika u pajjiżi oħra.

 

Ċertifikat

 

4

 

Għaliex Agħżelna?

 

1. Għandna l-fabbrika tagħna stess ma 'professjonist għall-pannell solari u s-sistema fuq 10 snin.

2. Għandna tim qawwi ta 'R & D.

3. Toffri servizz OEM għall-ordni tiegħek.

4. Irrispondi fi żmien 12-il siegħa.

5. Joffri prezz kompetittiv, servizz tajjeb wara l-bejgħ.

 

FAQ

 

M: Għaliex tagħżel sufu?

A: Minħabba li aħna manifattur professjonali ta 'aċċessorji solari għal aktar minn 11-il sena. Għandna fornituri mhux maħduma eċċellenti u tim ta 'inġinerija b'saħħitha.

 

M: X'inhu l-ħin li jagħti?

A: Fi żmien 15-il jum wara l-ordni kkonfermata mill-ħlas minn qabel.

 

M: X'inhuma t-termini tal-garanzija tiegħek?

A: Noffru ħin ta 'garanzija differenti għal komponenti differenti, jekk jogħġbok ikkuntattjana għad-dettalji.

 

M: Xi ngħidu dwar is-sistema ta 'kontroll tal-kwalità tiegħek?

A: Il-kwalità hija prijorità. Aħna dejjem nagħtu importanza kbira għall-kontroll tal-kwalità mill-bidu sa tmiem il-produzzjoni. Kull prodott se jkun immuntat sħiħ u ttestjat bir-reqqa qabel l-ippakkjar u t-tbaħħir.

 

It-tags Popolari: Pannelli Solari kollha Iswed, Fornituri, Manifatturi, Fabbrika, Personalizzati, Bejgħ bl-ingrossa, Ixtri, Prezz, Aħjar, Għall-Bejgħ

Ibgħat l-inkjesta